products
產品中心
當前位置:首頁 > 產品中心 > RJ系列智能型電動閥門執行器 > RJML直行程調節型智能電動執行器
RJ系列智能型電動閥門執行器 > RJML直行程調節型智能電動執行器
產品詳情 圖片集錦
RJML直行程調節型智能電動執行器,適用于直線推力動作的閥門,由RJM智能型多回轉電動執行器和線性推進裝置組成。接受標準模擬電流控制信號或開關控制信號,同時與閥位傳感器的位置信號相比較,將電動執行機構的輸出軸定位于和輸入信號相對應的位置上,完成定位控制,又可以根據連鎖控制、兩線控制定位于控制系統預先設置的位置。
RJML直行程執行器行程范圍
●RJML直行程調節型智能電動執行器,擁有線性輸出傳動系統,調節推力輸出可達100KN。
●RJML18(AC380V)直行程:^大出力20000N,行程范圍10mm-100mm。
●RJML18(AC220V)直行程:^大出力10000N,行程范圍10mm-100mm。
●RJML25(AC380V)直行程:^大出力100000N,行程范圍40mm-100mm。
●RJML25(AC220V)直行程: ^大出力50000N, 行程范圍40mm-100mm。
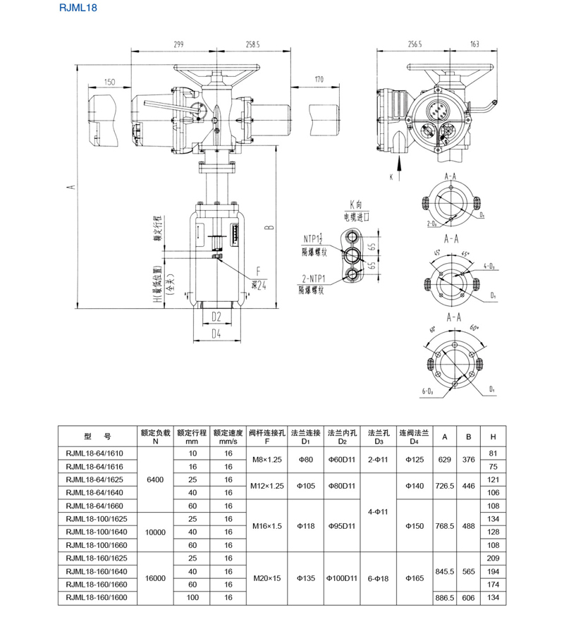
RJML直行程執行器結構尺寸

轉載請注明出處(RJML直行程調節型智能電動執行器:/companynews/422)
上一條:沒有了
下一條:沒有了
相關文章
- 2025-11-01 > 閥門電裝的選型流程是怎樣的
- 2025-10-16 > 如何選擇適合的閥門驅動裝置
- 2025-09-08 > 電動閥門執行器:工業自動化的核心驅動裝置
- 2025-08-15 > 電動閥門改造:技術升級與智能化轉型的全面解析
- 2025-07-07 > 電動閥門改造需要注意什么問題
- 2025-06-20 > 選電動閥門執行器時需要考慮哪些因素呢
- 2025-05-26 > 閥門電裝控制回路技能鑒定實操
- 2025-04-24 > 電動閥門執行器在哪個位置
- 2025-03-17 > 電動閥門執行器安裝方向
- 2025-02-18 > 閥門電裝可以接地嗎
相關產品


